全国服务热线
139 0373 2065
新闻资讯
News
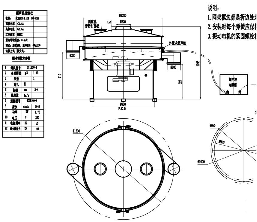
外置超声波振动筛和内置超声波振动筛的区别

大家都知道超声波振动筛是在三次元振动筛的基础上加装超声波清网装置从而解决各类堵网、粘网、吸附、剧团、静电、轻比重等筛分难题。
根据超声波换能器安装位置不同可分为外置式超声波振动筛和内置式超声波振动筛两种,那么为什么超声波振动筛会有外置式和内置式之分呢?下面康振机械机械就为广大用户详细讲解一下两种安装方式的区别。
外置式超声波振动筛和内置式超声波振动筛的区别
1.安装维护:内置式换能器的安装需要将筛框和筛网拆除才能进行安装和维护工作。外置式换能器由于是至于筛框外部,安装和维护相对简便快捷;
2.使用寿命:由于内置式换能器安装位置在筛网底部,使用过程中物料会落入换能器内而引起换能器发热影响筛分精度和使用寿命。外置换能器和筛框接触紧密密封效果好,可以有效的避免物料进入换能器从而影响使用寿命;
3.价格不同:内置换能器虽然使用寿命和安装有一定的缺陷,但其价格却相对较低,而由于外置换能器的安装和设计需要增加成本所以其价格也会相对高些。
康振机械机械外置式换能器可解决内置换能器清理、维护不便,换能器长久接触物料与随振动筛振动从而使寿命大大降低的缺点。加装外置支撑装置与快卡装置可有效的确保换能器外置借口的稳定性,确保筛机运行过程中换能器连接线与筛框的摩擦降至zui低,从而延长换能器使用寿命。 超声波振动筛作为一款高率、高精度的筛分设备,可以对600目以下粉末类物料进行有效的筛分工作,是现今食品、医药、化工、金属粉末、新型材料等高精细行业,而外置式换能器由于易维护,寿命长等特点也受到了广大用户的认可。
河南康振机械机械设备有限公司主要产品有系列三次元振动筛分过滤机、旋振筛、直线振动筛、超声波振动筛、矿用振动筛、圆振动筛、直排筛、标准检验筛(药典筛)、摇摆筛、气流筛、气旋筛、过滤筛、拍击式标准振筛机、振动电机、螺旋输送机、垂直提升机、振动给料机、振实平台、高频振动平台、仓壁振动器等等。
